фрезы адепласт 4078.01 для створки
Тел:+7 (4832) 91-14-12
Главная
|
Производство
|
Контакты
|
Схема проезда
Главная
Производство
Продукция
Ремонт
Услуги
Фрезы для обработки профилей ПВХ:
Adeplast
ADP 4068.01
для рамы
ADP 4082.01
для импоста
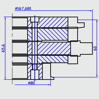
ADP 4078.01
для створки
ADP 7065.01
для рамы
ADP 7082.01
для импоста
ADP 7079.01
для створки
Схема проезда
оснастка для производства окон адепласт
Фрезы ADP 4078.01
для обработки
створки.
Фрезы Adeplast схема
обработки.