фрезы брюгманн AD для створки HP182
Тел:+7 (4832) 91-14-12
Главная
|
Производство
|
Контакты
|
Схема проезда
Главная
Производство
Продукция
Ремонт
Услуги
Фрезы для обработки профилей ПВХ:
Brugmann
Brugmann AD
для рамы
Brugmann AD
для импоста
Brugmann AD
для створки
Brugmann AD
для створки HP182
Схема проезда
изготовление фрез брюгманн
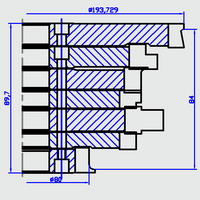
Фрезы Brugmann AD
для обработки створки HP182.
Фрезы brugmann AD
схема обработки.