фрезы ситилюкс для рамы

фрезы пвх №1
ФРЕЗЫ ПВХ
Deutsch
Russische
   
  Главная
  Производство
  Продукция
  Ремонт
  Услуги
 
Фрезы для обработки профилей ПВХ:
   
 
  •  Citylux
 
 
 
   
  Схема проезда




оснастка ситилюкс

ФРЕЗЫ CITYLUX


ФРЕЗЫ СИТИЛЮКС














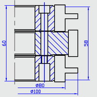
Фрезы Citylux
для обработки рамы.










Фрезы citylux
схема обработки.