фрезы декенинк Favorit для створки

фрезы пвх №1
ФРЕЗЫ ПВХ
Deutsch
Russische
   
  Главная
  Производство
  Продукция
  Ремонт
  Услуги
 
Фрезы для обработки профилей ПВХ:
   
 
  •  DECEUNINCK
  Forward для рамы
  Forward для импоста
  Forward для створки
  Favorit для рамы
  Favorit для импоста
  Favorit для створки
  Favorit Space для рамы
  Favorit Space для импоста
  Favorit Space для створки
  Eforte для импоста без соединителя
  Фрезы DECEUNINCK для импоста HS 876
   
  Схема проезда



фрезы пвх декенинк

ФРЕЗЫ DECEUNINCK favorit


фрезы декенинк favorit














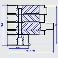
Фрезы DECEUNINCK
Favorit
для обработки
створки.










Фрезы Deceuninck схема
обработки.