фрезы функе Helios для рамы
Тел:+7 (4832) 91-14-12
Главная
|
Производство
|
Контакты
|
Схема проезда
Главная
Производство
Продукция
Ремонт
Услуги
Фрезы для обработки профилей ПВХ:
Funke
Funke Phoenix
для рамы
Funke Phoenix
для импоста
Funke Phoenix
для створки
Funke Helios
для рамы
Funke Helios
для импоста
Funke Helios
для створки
Схема проезда
фрезы Функе для окон
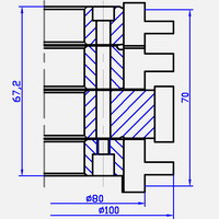
Фрезы Funke Helios
для обработки рамы.
Фрезы funke Helios
схема обработки.