фрезы геалан для зачистки штульпа
Тел:+7 (4832) 91-14-12
Главная
|
Производство
|
Контакты
|
Схема проезда
Главная
Производство
Продукция
Ремонт
Услуги
Фрезы для обработки профилей ПВХ:
GEALAN
Gealan S 3000
для рамы
Gealan S 3000
для импоста
Gealan S 3000
для створки
Gealan S 8000
для рамы
Gealan S 8000
для импоста
Gealan S 8000
для створки
Gealan S 9000
для рамы
Gealan S 9000
для импоста
Gealan S 9000
для створки
Gealan раздвижная
система для импоста
Gealan раздвижная
система для створки
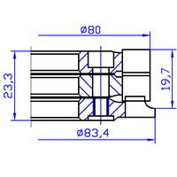
Gealan фреза для
зачистки штульпа
Gealan фреза для
зачистки створки арт.5061
Gealan фреза для
зачистки створки арт.6023
Схема проезда
фрезы ПВХ для геалан
Фрезы Gealan
для зачистки штульпа.
Фрезы gealan
схема обработки.