фрезы кбе Expert для створки
Тел:+7 (4832) 91-14-12
Главная
|
Производство
|
Контакты
|
Схема проезда
Главная
Производство
Продукция
Ремонт
Услуги
Фрезы для обработки профилей ПВХ:
KBE
Etalon для рамы
Etalon для импоста
Etalon для створки
Expert для рамы
Expert для импоста
Expert для створки
GutWerk 58
для импоста
GutWerk 58
для створки
GutWerk 70
для импоста
GutWerk 70
для створки
Схема проезда
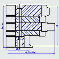
фрезы пвх кбе
Фрезы KBE
Expert
для обработки
створки.
Фрезы КБЕ схема
обработки.