фрезы новотекс для рамы 82
Тел:+7 (4832) 91-14-12
Главная
|
Производство
|
Контакты
|
Схема проезда
Главная
Производство
Продукция
Ремонт
Услуги
Фрезы для обработки профилей ПВХ:
NOVOTEX
Novotex
для рамы
Novotex
для импоста
Novotex
для створки
Novotex
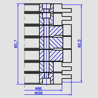
для рамы 82
Novotex
для импоста 82
Novotex
для створки 93
Novotex
дверная система
для створки NP 023
Схема проезда
фрезы для окон новотекс
Фрезы Novotex
для обработки рамы 82.
Фрезы novotex
схема обработки.