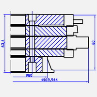
фрезы рехау дверная система 60 для створки
Тел:+7 (4832) 91-14-12
Главная
|
Производство
|
Контакты
|
Схема проезда
Главная
Производство
Продукция
Ремонт
Услуги
Фрезы для обработки профилей ПВХ:
REHAU
Basic Design
для рамы
Basic Design
для импоста
Basic Design
для створки
Sib Design
для рамы
Sib Design
для импоста
Sib Design
для створки
Brillant Design
для створки
Delight Design
для створки
дверная система
для створки art.541150
Схема проезда
фрезы для профиля рехау
Фрезы REHAU
дверная система
для обработки
створки art.541150.
Фрезы rehau cхема
обработки.