фрезы ропласто 6002-AD для створки
Тел:+7 (4832) 91-14-12
Главная
|
Производство
|
Контакты
|
Схема проезда
Главная
Производство
Продукция
Ремонт
Услуги
Фрезы для обработки профилей ПВХ:
ROPLASTO
универсальные
для рамы
6002-AD для
импоста
6002-AD для
створки
7001-AD
для рамы
7001-AD
для импоста
7001-AD
для створки
7001 для створки
art.2222
7001 для створки
art.2217
7001-MD 80mm
для импоста
7001-MD для
створки art.8280
Схема проезда
фрезы РОПЛАСТО для окон
Фрезы ROPLASTO
6002-AD
для обработки
створки.
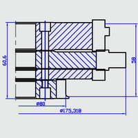
Фрезы Roplasto схема
обработки.