фрезы саламандер Streamline для створки 251226
Тел:+7 (4832) 91-14-12
Главная
|
Производство
|
Контакты
|
Схема проезда
Главная
Производство
Продукция
Ремонт
Услуги
Фрезы для обработки профилей ПВХ:
Salamander
Design 2D
для рамы
Design 2D
для импоста
Design 2D
для створки
Streamline
для рамы
Streamline
для импоста
Streamline
для створки
Streamline
для дверной створки
Streamline
для створки 251226
Streamline
для импоста в
створку 251226
Streamline
для импоста 7516
Design 3D
для рамы
Design 3D
для импоста в
раму 110220
Design 3D
для импоста в
створку 211220
Design 3D
для створки
bluEvolution
для рамы
bluEvolution
для импоста в
раму
bluEvolution
для импоста в
створку
bluEvolution
для створки
bluEvolution
для створки
Design 2DL
для рамы
bluEvolution 82
для импоста в
раму
bluEvolution 82
для импоста в
створку
bluEvolution 82
для створки
Схема проезда
инструмент для саламандер
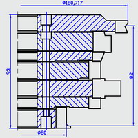
Фрезы Salamander Streamline
для обработки створки 251226.
Фрезы salamander Streamline
схема обработки.