фрезы шуко Corona SI 82 для створки
Тел:+7 (4832) 91-14-12
Главная
|
Производство
|
Контакты
|
Схема проезда
Главная
Производство
Продукция
Ремонт
Услуги
Фрезы для обработки профилей ПВХ:
SCHUCO
Corona AS 60
для рамы
Corona AS 60
для импоста
Corona AS 60
для створки
Универсальная
для рамы
Corona CT 70 AS
для импоста
Corona CT 70 AS
для створки
Corona SI 82
для импоста
Corona SI 82
для створки
Схема проезда
фрезы ШУКО для окон
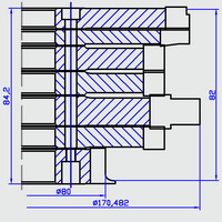
Фрезы SCHUCO
Corona SI 82
для обработки
створки.
Фрезы Schuco схема
обработки.